Excavator parts and Bulldozer parts
for Japanese equipments.
Product Search
Category Group
All Category Groups
Undercarriage parts
Bucket wea parts
Engine parts
Pumps
Spare parts
Category
All Categories
Bucket Adapter
Bucket Attachment
Bucket Bush
Bucket Parts
Bucket Pin
Bucket Protection
Carrier Roller
Crawler Unit
Drivers Seat
Cutting Edge & End Bit
Electric Parts
Engine
Engine Peripherals
Filters
Front Idler
Jaw Plate
Main Pump
Muffler
Overhaul Kit
Oil Cooler
Other
Radiator
Rubber Track Pad
Rubber Track
Seal Kit
Bucket Side Cutter
Sprocket & Segment
Tooth Point
Tire Chain
Bucket Tooth
Track Adjuster & Recoil Spring
Track Group
Track Link
Track Roller
Track Shoe
Transmission
Water Pump
Equipment Groups
All Equipment Groups
Construction Equipment
Mining
Asphalt/Aggregate/Concrete
Lifting & Material Handling
Forestry Equipment
Power supply
Equipment
All Equipments
Air Compressor
All Terrain Crane
Asphalt Paver
Compactor
Crawler Dump
Crawler Loader
Crawler Tractor
Crusher
Drilling Rig / Pile Driver
Drum Roller
Dump Truck
Engine
Forklift
Generator
Hydraulic Excavator
Hydraulic Truck Crane
Backhoe Loader
Material Handler
Midi Excavator
Mini Excavator
Mobile Excavator
Motor Grader
Motor Scraper
Other Equipment
Pneumatic Roller
Road Cutter
Rotary Snow Plow
Rough Terrain Crane
Shovel
Skid Steer Loader
Telescopic Forklift
Wheel Dozer
Wheel Loader
Manufacturer
All Manufactures
KOMATSU
Caterpillar
HITACHI
KOBELCO
SUMITOMO
YANMAR
KUBOTA
IHI
KATO
FURUKAWA
KAWASAKI
MOROOKA
TCM
MITSUBISHI
SAKAI
AIRMAN
NISSAN
TOYOTA
TAKEUCHI
DENYO
HANIX
MAEDA
NIIGATA
NICHIJO
HANTA
AICHI
TAISHO
KAIHATSU
NIPPON_SHARYO
KEMKO
IWAFUJI
ISEKI
Komatsu Zenoah
BARONESS
CANYCOM
KIORITZ
OTHER
Model
PartNo
Category List
Undercarriage parts
Track Link
Track Roller
Carrier Roller
Front Idler
Sprocket & Segment
Rubber Track
Rubber Track Pad
Track Group
Track Shoe
Track Adjuster & Recoil Spring
Tire Chain
Crawler Unit
Transmission
Bucket wea parts
Bucket Pin
Bucket Bush
Bucket Attachment
Bucket Protection
Bucket Tooth
Tooth Point
Bucket Adapter
Bucket Side Cutter
Bucket Parts
Engine parts
Engine
Filters
Overhaul Kit
Oil Cooler
Radiator
Engine Peripherals
Pumps
Main Pump
Water Pump
Other Parts
Cutting Edge & End Bit
Seal Kit
Jaw Plate
Muffler
Electric Parts
Drivers Seat
Other
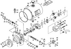
Product Name
Hydraulic Pump
Category Group
Pumps
Category
Main Pump
Equipment Group
Construction Equipment
Equipment
Crawler Dump
Manufacturer
CANYCOM
P/N
3611-7001-100
Model
BFG1003
Machine Type
95/01~
Description
Weight
0(Kg/Pce)
Return to the previous page
Copyright (C) 2011 Maxis Corporation All Rights Reserved.